ÇöóÀֽ̾Ã(Fly-ash: ÀÌÇÏ FA¶ó ĪÇÔ)¶õ ¼®ÅºÈ·Â¹ßÀü¼Ò¿¡¼ ¼®Åº ¿¬¼Ò ÈÄ ±¼¶ÒÀ¸·Î ³¯¾Æ°¡´Â À縦 Æ÷ÁýÇÑ °ÍÀÌ´Ù. ÀÌ¿Í °°Àº FA¸¦ ¿ì¸®³ª¶ó¿¡¼´Â ·¹¹ÌÄÜ »ý»ê°úÁ¤¿¡¼ ½Ã¸àÆ®ÀÇ ´ë¿ëÀ¸·Î ġȯÇÏ¿© »ç¿ëÇÏ´Â µ¥ KS L 5405(ÇöóÀֽ̾Ã)¿¡ ±ÔÁ¤µÇ¾î ÀÖ´Ù. ±×·±µ¥, KS L 5211¿¡´Â ÇöóÀֽ̾à ½Ã¸àÆ®(ÀÌÇÏ FAC¶ó ĪÇÔ)µµ ±ÔÁ¤µÇ¾î ÀÖ´Ù. ±×·¯³ª ½Ç¹«¿¡¼ FA´Â ¾ó¸¶µçÁö ±¸ÇÒ ¼ö ÀÖÁö¸¸ FAC´Â ±¸ÇÒ ¼ö ¾ø´Â °ÍÀÌ Çö½ÇÀÌ´Ù. ¿Ö ±×·²±î?
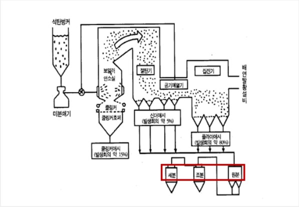
FA´Â ¼®ÅºÈ·Â¹ßÀü¼Ò¿¡¼ ¹ß»ýÇÑ´Ù. Áï, 0.08mm ÀÌÇÏ·Î ¹ÌºÐ¼âµÈ ¼®ÅºÀ» º¸ÀÏ·¯ ¿¬¼Ò½Ç¿¡ ºÒ¾î ³Ö¾îÁö¸é ¼®ÅºÀÇ ÁÖ¼ººÐÀΠź¼Ò(C)´Â °ø±â Áß »ê¼Ò(O2)¿Í ¹ÝÀÀÇÏ¿© ÀÌ»êÈź¼Ò(CO2)·Î ¿¬¼ÒµÇ¾î ±× ¿·Î ¹°À» ²ú¿© ÅͺóÀ» µ¹¸²À¸·Î½á Àü±â¸¦ ¸¸µç´Ù. ÀÌÈÄ, CO2´Â ±âü°¡ µÇ¾î °ø±â ÁßÀ¸·Î ³¯¾Æ°¡Áö¸¸, ºÒ¼ø¹°ÀÎ ¾Ï¼®, Á¡Åä ¼ººÐÀº º¸ÀÏ·¯½ÇÀÇ 1400~1500¡ÉÀÇ °í¿Â¿¡¼ ¿¬¼Ò µÇÁö ¾Ê°í ¿ëÀ¶ µÈ´Ù. À̶§, ¿ëÀ¶¹°Àº Ç¥¸éÀå·Â¿¡ ÀÇÇØ »çÁø 2ÀÇ ¿ìÃø°ú °°Àº ±¸Çü»óÀÇ À¯¸®Áú Ç¥¸éÀ» °®´Â ¹°Áú·Î¼ °ø±â ¿¹¿±â¸¦ °ÅÄ¥ ¶§ ½Ä¾îÁ®¼ Àç(Ash)·Î µÈ ´ÙÀ½ ±¼¶ÒÀ» ÅëÇØ ¿ÜºÎ·Î ³¯¾Æ°¡·Á°í ÇÒ ¶§, ÀÌ À縦 ÁýÁø±â·Î Àâ¾Æ ¸ð¾ÆÁø °ÍÀÌ´Ù. ½ÃÆÇµÉ ¶§¿¡´Â À̰ÍÀ» º°µµÀÇ Á¤Á¦°øÀå¿¡¼ ºÐ±Þ±â·Î ±½Àº ÀÔÀÚ´Â Á¦¿ÜÇÏ°í °¡´Â ÀÔÀÚ¸¸À» ¸ð¾Æ ÄÜÅ©¸®Æ® Á¦Á¶¿¡ ÀÌ¿ëÇÑ´Ù.
FA¸¦ ÄÜÅ©¸®Æ®¿¡ ÀÌ¿ëÇÒ ¶§¿¡´Â ¸¹Àº ÀåÁ¡°ú ÀϺΠ´ÜÁ¡ÀÌ ÀÖ´Ù. Áï, ÀåÁ¡À¸·Î´Â À¯¸®Áú ±¸Çü ÀÔÀÚÀ̹ǷΠÄÜÅ©¸®Æ® ½½·³ÇÁ Áõ°¡ µî ½Ã°ø¼ºÀÌ ÁÁ¾ÆÁö°í, »ó¿Â¿¡¼ Æ÷Á¹¶õ(Pozzolan) ¹ÝÀÀÀ¸·Î Ãʱ⠰µµ´Â ÀúÇÏÇÏÁö¸¸, Èı⠰µµ°¡ »ó½ÂÇϸç, CO2 Àý°¨, ¸Å½º ÄÜÅ©¸®Æ®ÀÇ ¼öÈ¿ Àú°¨ µîÀÌÁ¡ÀÌ ÀÖÁö¸¸,Á¦ÀÏ Å« ¸Þ¸®Æ®´Â ·¹¹ÌÄÜ °¡°ÝÀÌ Àú·ÅÇØ Áø´Ù´Â °ÍÀÌ´Ù. ¹Ý¸é ´ÜÁ¡À¸·Î´Â ±»Áö ¾ÊÀº »óÅ¿¡¼ FAÀǹ̿¬¼Ò źºÐ¿¡ ÀÇÇÑ AEÁ¦ ÈíÂøÀÛ¿ëÀ¸·Î °ø±â·®ÀÌ °¨¼ÒÇÒ ¼ö ÀÖ°í, Ãʱ⠰µµ°¡ ÀÛ¾Æ ¸¶°¨ ½Ã°£ÀÌ ´Ê¾îÁö¸ç, ÄÜÅ©¸®Æ®ÀÇ ¾ËÄ®¸®¼ºÀÌ ÀúÇϵǾî Áß¼ºÈ ¼ö¸íÀÌ ´ÜÃàµÉ ¼ö ÀÖ´Ù.
|
±×·±µ¥, FA¸¦ ÄÜÅ©¸®Æ®¿¡ ÀÌ¿ëÇÒ °æ¿ì¿¡´Â FA¸¦ È¥ÈÀç·Î ÀÌ¿ëÇÏµç ½Ã¸àÆ®·Î ÀÌ¿ëÇϵç ÃæºÐÈ÷ Àß È¥ÇÕµÇ¾î ½Ã¸àÆ® ÁÖÀ§¿¡ FA°¡ Àß ºÐÆ÷µÉ ¶§ ÀåÁ¡¿¡¼ ¿°ÅÇÑ È¿°ú¸¦ ±â´ëÇÒ ¼ö ÀÖ´Ù. ±×·¸´Ù¸é ¿ì¸®³ª¶ó ½Ç¹«¿¡¼´Â ÃæºÐÈ÷ Àß È¥Çյǰí Àִ°¡? ¹®Á¦´Â ³Ê¹« ±ÞÇÏ°Ô »ý»êÇÏ¿© ǰÁú¿¡ °áÇÔÀÌ ¹ß»ýÇÒ ¼ö ÀÖ´Ù´Â °ÍÀÌ´Ù. Áï Àç·á°è·® ÈÄ È¥Çսð£Àº °³º° È¥ÇÕÀÇ °æ¿ì 120ÃÊ Á¤µµ´Â ÁÖ¾î¾ß Çϴµ¥, ´ëºÎºÐ 40ÃÊ ÀüÈÄ·Î ºÎÁ·Çϰí, ·¹¹ÌÄÜ ¿î¹Ý Æ®·°µµ 2~6ȸ/ºÐÀ¸·Î¼ °Å¸®¿¡ µû¶ó °¡±î¿î °Å¸®´Â »¡¸®,¸Õ °Å¸®´Â õõÈ÷ ȸÀüÇØ¾ß Çϳª °ÅÀÇ ´ëºÎºÐÀÇ ·¹¹ÌÄÜ ¿î¹ÝÆ®·°Àº °Å¸®¿¡ »ó°ü¾øÀÌ 2ȸ/ºÐ¿¡ ¸ÂÃçÁ® ¿îÇàÇÔÀ¸·Î½á È¥ÇÕÀÌ ºÎÁ·ÇÑ »óÅÂÀÌ´Ï, °á±¹ ÃæºÐÈ÷ È¥ÇÕµÇÁö ¸øÇÔÀ¸·Î¼ FAÀÇ ÀåÁ¡À» »ì¸®Áö ¸øÇÏ´Â °ÍÀÌ Çö½ÇÀÌ´Ù.
±×·¯¸é ´ëÃ¥Àº ¹«¾ùÀϱî? ½Ã¸àÆ® °øÀå µî¿¡¼ ½Ã¸àÆ®¿Í FA°¡ ÃæºÐÈ÷ È¥ÇÕµÈ »óÅ·ΠÀÌ¿ëÇÏ¸é ¹®Á¦´Â ÇØ°áµÉ ¼ö ÀÖ´Ù. ±×·±µ¥ ¿Ö ¿ì¸®³ª¶ó´Â ¼¼°è¿¡¼ À¯·¡¸¦ ãÀ» ¼ö ¾øÀ» ¸¸Å FAC°¡ ¾ø´Â °ÍÀϱî? FAC¶õ ´Ü¼øÈ÷ ȷ¹ßÀü¼Ò¿¡¼ FA¸¦ °¡Á®´Ù ½Ã¸àÆ®¿Í È¥ÇÕÇØ Áֱ⸸ ÇÏ¸é µÇ´Â °ÍÀ¸·Î º¹ÀâÇÒ °Íµµ ¾î·Á¿ï °Íµµ ¾ø´Ù. ±×·±µ¥, ¾î´À ¹®Çå¿¡µµ ÀÌÀ¯°¡ ³ª¿Í ÀÖ´Â °÷Àº ¾ø´Ù. µû¶ó¼ Ʋ¸± ¼öµµ ÀÖ°ÚÁö¸¸,ÃßÃøÇØº¸¸é ¿ì¸®³ª¶ó ½Ã¸àÆ® »çµéÀÇ °æ¿ì º¸Åë Æ÷Ʋ·£µå½Ã¸àÆ®(ÀÌÇÏ OPC¶ó ĪÇÔ) ÆÇ¸Å·®À» ´Ã¸®±â À§ÇÏ¿© FAC¸¦ ¸¸µç´Ù°í Çϸé OPC °ø±ÞÀ» °ÅºÎÇÏ´Â Ä«¸£ÅÚ ¶§¹®¿¡ FAC »ý»êÀÌ ¾È µÇ´Â °ÍÀ¸·Î À¯ÃߵȴÙ. ±×·¸´Ù º¸´Ï À̹ø¿¡´Â ·¹¹ÌÄÜ »çµéÀÌ »ê¾÷ºÎ»ê¹°ÀÎ FA¿¡ ´«À» µ¹·Á FA¸¸À» Àú·ÅÇÑ °¡°ÝÀ¸·Î ±¸ÀÔÇÏ¿© È¥ÈÀç·Î ½Ã¸àÆ®¿¡ ġȯÇÏ¿© »ç¿ëÇÒ ¼ö¹Û¿¡ ¾øÀ¸¹Ç·Î ÇöÀç´Â ±×·¸°Ô ±»¾îÁ® ¹ö·È´Ù.
µû¶ó¼ ÀÌ ¹®Á¦¸¦ ÇØ°áÇϱâ À§Çؼ´Â ½Ã¸àÆ® °øÀåÀ̵ç, FA¸¦ »ý»ê·°ø±ÞÇÏ´Â ¾÷üµç °£¿¡ FAC¸¦ Á¦Á¶ÇÏ´Â ¼³ºñ ¹× °øÀåÀ» ¸¸µé¾î È¿À²ÀûÀ¸·Î Ȱ¿ëÇÒ ¼ö ÀÖ´Â ¹æ¹ýÀÇ ÀüȯÀ» À¯µµÇÒ Çʿ䰡 ÀÖ´Ù. ÀÌ·¸°Ô Çϸé FA¸¦ È¿À²ÀûÀ¸·Î Ȱ¿ëÇÔÀ¸·Î ·¹¹ÌÄÜÀÇ Ç°Áú Çâ»ó°ú FA ġȯÀ²À» ³ôÀÌ°Ô µÇ¸é CO2 Àú°¨¿¡ ±â¿© ¹× ±¹Á¦ÀûÀ¸·Îµµ ¸ðµç ¼±Áø±¹Ã³·³ FAC¸¦ »ý»êÇÔÀ¸·Î½á ±¹Á¦Àû À§»óµµ °®Ãâ ¼ö ÀÖ°Ô µÇ´Â °ÍÀÌ´Ù.
- Tag
- #½Ã¸àÆ®
¨Ï °æÁ¦Æ÷Ä¿½º, ¹«´ÜÀüÀç ¹× Àç¹èÆ÷ ±ÝÁö





